Zunge mit Stangenantrieb links, Stahl verzinkt
Zunge mit Stangenantrieb links, Stahl verzinkt
Betätigung Vierkant 7, Polyamid GF schwarz
Betätigung Vierkant 7, Polyamid GF schwarz

Zunge mit Stangenantrieb links, Stahl verzinkt; 1000-U662-31

https://www.emka.com/products/1000-u662-31 https://www.emka.com/web/image/product.template/205764/image_1920?unique=d0877aa

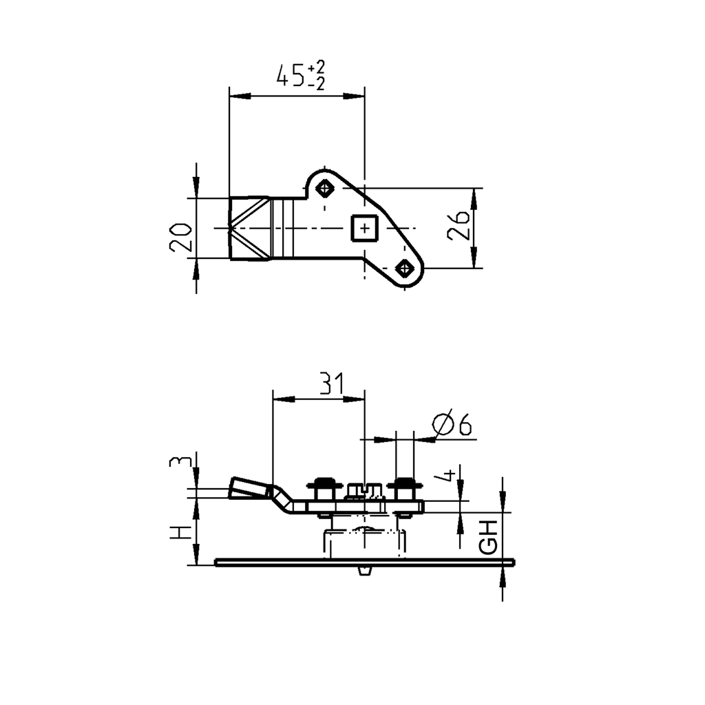
Kröpfung h = 13 mm


    Diese Kombination existiert nicht.

    Innerhalb der Dichtung

    Kein Lagerartikel, Verfügbarkeit bitte anfragen

    Produkthinweis:

    Die Auflauframpe erhöht den Kompressionsweg um 4 mm.
    Interne Referenz: 1000-U662-31
    Barcode: 1000-U00662-0000031
    Produktart: Zunge
    Programm: 1000
    Katalogblatt: 3YC-140
    Material der Baugruppe : Stahl
    Oberfläche der Baugruppe: verzinkt
    Anzahl der möglichen Verschlusspunkte: 3-Punkt
    Einbauposition : Innerhalb der Dichtung
    Hub des Antriebs: Hub 26 mm
    Kompressionswert : 3 mm
    Kröpfung: positiv
    Kröpfung der Zunge: 13 mm
    L-Maß: 45 mm
    Löffel: Ja
    t-Maß: 4 mm
    No Specifications
    Alle Produkte anzeigen
    Anschlussstange
    Auflauframpe
    Adapter für Rundstange
    Lagerbuchse
    Befestigungsmaterial für Schwenkgriff
    Adapter
    Hier finden Sie die Produktdatenblätter und CAD-Dateien zu diesem Produkt